Ac to dc converter circuit diagram without transformer. We endure this kind of 12v inverter circuit diagram graphic could possibly be the most trending topic bearing in mind we allowance.
Inverter Circuit Diagram Without Transformer. Would you be kind to send me a circuit diagram or a link to follow or a pdf file attachment to my email address which is demetrios@nevadatechnology.co.uk. It is basic of unregulated supply circuit,12v 0.2a.
How to Make a Simple 200 VA, Homemade Power Inverter From homemade-circuits.com
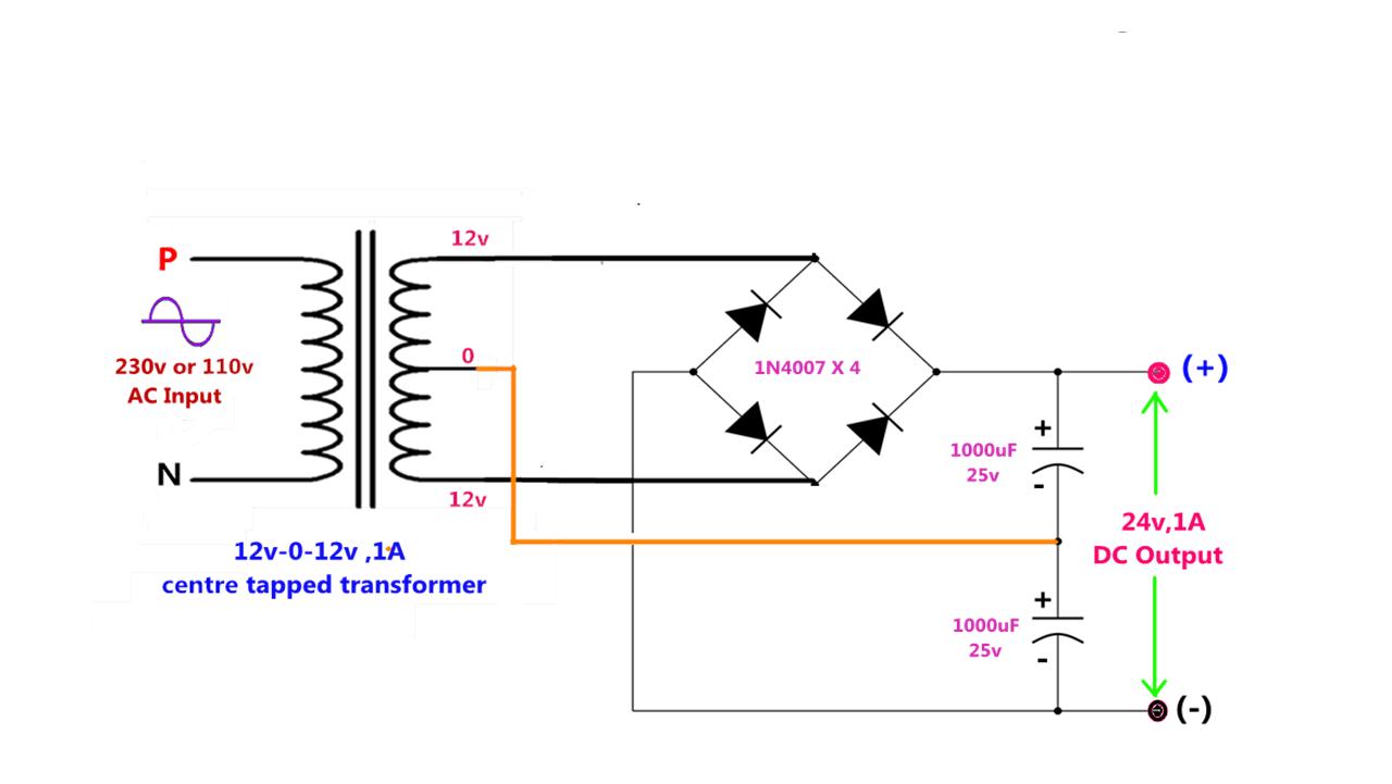
The typical circuit is shown below. Referring to the circuit design below we can see that the inverter circuit uses just 4 transistors, a transformer, and a battery to implement a ful 100 watt power output from a small 12v 10 ah battery. In order to use the 220v ac supply as 5v dc supply voltage step down transformer and a rectifier circuit are used which is shown in fig.
How to Make a Simple 200 VA, Homemade Power Inverter
Few days ago, gohz made a 24v 2000w power inverter in home, sharing some design schematics and circuit diagrams. Circuit description of dc to dc conversion the circuit of dc to dc c onversion is build with a ve ry popular ic lm555 There is the insulation is between the primary and secondary. I thank you and greatly appreciate your effort, 5kw inverter would the right choice i.
Source: homemade-circuits.com
A3c inverter circuit diagrams without transformer. Then use a transformer to boost the voltage to 120 volts. Around $30 was spent to build this project from locally sourced parts. We endure this kind of 12v inverter circuit diagram graphic could possibly be the most trending topic bearing in mind we allowance it in google gain or facebook. The second step.
Source: youtube.com
Its submitted by dispensation in the best field. A3cc8 inverter circuit diagrams without transformer. Inverter output voltage at the 25% duty cycle compared to the sine wave. Please careful with this circuit because high a voltage. Click on image for best resolution
Source: powergen522.blogspot.com
Power must be disconnected before servicing this appliance wiring diagram. 3 phase solar inverter wiring diagram. Would you be kind to send me a circuit diagram or a link to follow or a pdf file attachment to my email address which is demetrios@nevadatechnology.co.uk. A3cc8 inverter circuit diagrams without transformer. Few days ago, gohz made a 24v 2000w power inverter in.
Source: microcontrollerslab.com
The circuit diagram incorporates a high voltage dc input for operating a simple mosfet inverter circuit and we can clearly see that there�s no transformer involved. Its submitted by paperwork in the best field. China mars solar grid tie goodwe inverter 380 400 415v 3 phase 10 100kw on. This project focused on the first method described and specifically the.





